Манометры избыточного давления «МП2-У», мановакуумметры «МВП2-У» и вакуумметры «ВП2-У» показывающие служат для измерения вакуумметрического и избыточного давления некристаллизующихся, неагрессивно воздействующих на материал манометра жидкостей, паров и газов, в том числе кислорода, ацетилена. Средний срок службы манометров составляет 10 лет.
Корпус прибора изготавливается из стали, циферблат - из окрашенного в белый цвет алюминиевого сплава. Материал штуцера и трубчатой пружины - латунь, бронза, трибко-секторного механизма - бронза, латунь, нержавеющая сталь. Стекло прибора органическое.
Технические характеристики
|
Температура окружающего воздуха
|
от -50 до +60°С
|
|
Устойчивость к климатическим воздействиям
|
исполнение У2 по ГОСТ 15159-69
|
|
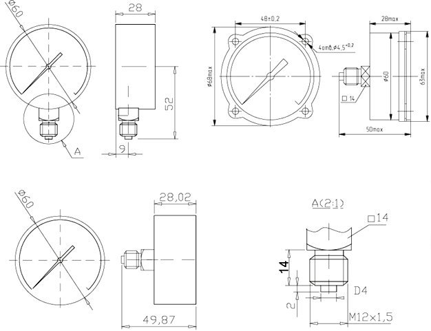
Диаметр корпуса
|
60 мм
|
|
Резьба штуцера
|
М12х1,5
|
|
Виброзащищенность
|
группа L3 по ГОСТ 12997-84
|
|
Класс точности
|
2,5 (по заказу 1,5 на пределы 0,4-60 МПа)
|
|
Степень защиты приборов
|
IP40
|
|
Масса не более
|
0,15 кг
|
Пределы измерений в МПа
(по заказу поставляются в единицах измерения кПа, кгс/см2, бар)
|
МП2-Уф
|
от 0 до 0,06; 0,1; 0,16; 0,25; 0,4; 0,6; 1; 1,6; 2,5; 4; 6; 10; 16; 25; 40; 60
|
|
МВП2-Уф
|
от -0,1 до 0,06; 0,15; 0,3; 0,5; 0,9; 1,5; 2,4
|
|
ВП2-Уф
|
от -0,1 до 0
|
Варианты исполнения корпуса
|
Осевой штуцер без фланца
|
Осевой штуцер с передним фланцем
|
|

|

|
Чертеж

Пример заказа
|
Тип
|
Исполнение электроконтактной группы
|
Диапазон показаний
|
Единицы измерения
|
Класс точности
|
Фланец
|
Расположение штуцера
|
Степень защиты
|
|
Манометр МП2-У
Мановакуумметр
МВП2-У
Вакуумметр ВП2-У
|
Нет (по умолч.)
|
См. Пределы измерений
|
- МПа
- кПа
- кгс/см2
- бар
|
- 2,5 (по умолч.)
- 1,5
|
- Без фланца (по умолч.)
- Ф - фланец
|
- РШ - радиальный штуцер (по умолч.)
- ОШ - осевой штуцер
|
- IP40 (по умолчанию)
|
|
Доп. требования: заводская поверка (по умолчанию), гос.поверка, демпфер, хладагент R..., с РМ..., номер, пломба и др.
|