
Манометры избыточного давления и мановакуумметры показывающие МП3А-У, МВП3А-У предназначены для измерения избыточного и вакуумметрического давления жидкого, газообразного и водного раствора аммиака.
Приборы могут иметь дополнительную температурную шкалу.
По заказу приборы поставляются в единицах измерения кПа (до 6 кгс/см2), МПа (свыше 9 кгс/см2).
Технические характеристики
|
Диапазоны показаний приборов:
|
|
- МПЗА-У
|
от 0 до 1; 1,6; 2,5; 4; 6; 10; 16; 25; 40; 60; 100; 160; 250; 400; 600 кгс/см2
|
|
- ВПЗА-У
|
от -1 до 0 кгс/см2
|
|
- МВПЗА-У
|
от -1 до 0,6; 1,5; З; 5; 9; 15; 24 кгс/см2
|
|
Диаметр корпуса
|
100 мм
|
|
Класс точности приборов
|
1,5 (по заказу - 1,0)
|
|
Защита то пыли и влаги
|
IP40 (по заказу - 1Р5З)
|
|
Масса приборов
|
не более 0,7 кг
|
|
Гарантийный срок эксплуатации
|
З года со дня ввода прибора в эксплуатацию при условии соблюдения потребителем правил эксплуатации, транспортирования, хранения и монтажа, указанных в руководстве по эксплуатации
|
|
Средний срок службы
|
10 лет
|
|
Материалы деталей:
|
|
- Корпус
|
Сталь, алюминиевый сплав
|
|
- Стекло
|
Оконное
|
|
- Трубчатая пружина
|
Железо-никелевый сплав*
|
|
- Держатель
|
Сталь
|
|
- Механизм
|
Нержавеющая сталь*, алюминиевый сплав
|
|
*детали прибора производятся из разных материалов
|
|
Воздействие вибрации
|
В диапазоне частот от 5 до 25 Гц с амплитудой 0,1 мм (группа L3 по ГОСТ 12997-84)
|
|
Климатическое исполнение по ГОСТ 15150-69
|
- У2 - по умолчанию приборы имеют исполнение У2 (-50 до +60°С);
- Т2 - по заказу приборы имеют исполнение Т2 (-50 до +60°С)
|
|
Фланец для крепления прибора на панели
|
- По умолчанию приборы поставляются без фланца;
- Ф - по заказу приборы поставляются с задним расположением фланца
|
|
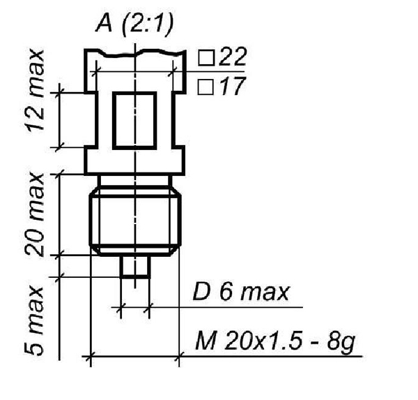
Резьба присоединительного штуцера
|
- По умолчанию метрическая резьба М20х1,5-8д;
- G1/2-B - по заказу дюймовая резьба;
- R1/2 - по заказу коническая резьба
|
|
Технологическая черта на шкале
|
- По умолчанию без черты;
- По заказу нанесение технологической черты на циферблат (необходимо указать на какой отметке)
|
|
Демпфер для гашения пульсирующего давления
|
- По умолчанию приборы поставляются без демпфера до 16 кгс/см2 включительно и с демпфером свыше 25 кгс/см2 включительно
- Демпфер - по заказу демпфер устанавливается на прибор с любым диапазоном показаний
|
|
Заводской номер
|
По умолчанию поставляются без заводского номера, по требованию заказчика приборы изготавливаются с заводским номером
|
|
Пломбировка
|
По умолчанию приборы поставляются без пломбы (пломбирование производится по требованию заказчика)
|
|
Межповерочный интервал
|
1 год
|
Габаритные чертежи

МП3А-У - радиальное расположение штуцера без фланца

МП3А-У - радиальное расположение штуцера с задним фланцем

МП3А-У - присоединительный штуцер